
Хорошие результаты, полученные с антенной «Magnetic Loop», побудили I1ARZ попытаться построить антенну на НЧ-диапазоны. Вначале он намеревался построить петлевую антенну круглой формы (рис.1) с периметром около 10,5 м, что составляет четверть длины волны на диапазоне 7 МГц. Для этой цели была изготовлена петля из медной трубки диаметром 40 мм с тонкими стенками Однако в ходе работ выяснилось, что сгибание и разгибание трубок таких размеров — достаточно трудное дело, и форма антенны была изменена с круглой на квадратную. Некоторое снижение эффективности при этом компенсируется значительным упрощением изготовления.
Для диапазона 1,8…7,2 МГц можно использовать медную трубку диаметром 25…40 мм. Можно также использовать дюралевые трубки, однако не у всех есть возможность сварки в аргоне. После сборки вся антенная рамка покрывается несколькими слоями защитного лака.
Для правильной работы антенны очень важен настроечный конденсатор. Он должен быть хорошего качества, с большим промежутком между пластинами Использован вакуумный конденсатор емкостью 7…1000 пФ с допустимым напряжением 7 кВ Он выдерживает мощность в антенне более 100 Вт, что вполне достаточно. В том случае, когда используется диапазон 160 м, емкость должна достигать 1600 пФ.
Петля квадратной формы собирается из четырех медных трубок длиной 2,5 м и диаметром 40 мм Трубки соединяются вместе с помощью четырех водопроводных колен из меди. Трубки привариваются к коленам. Противоположные стороны рамки должны быть параллельны друг другу. В верхней трубке посередине вырезается кусок длиной в 100 мм, в вырез вставляется тефлоновый шпиндель и закрепляется с обеих сторон хомутиками и винтами. Диагональ петли составляет 3,4 м, полная длина — 10,67 м (вместе с медными пластинками шириной 50 мм, к которым прикреплены концы трубки, обеспечивающими подключение настроечного конденсатора). Для обеспечения надежного контакта пластинки после их прикрепления необходимо приварить к концам трубки.

На рис.2 приведена конструкция рамки вместе с основанием и несущей мачтой. Мачта должна быть диэлектрической, например из стеклволокон- ного удилища. Можно использовать также пластмассовую трубку. В нижней части рамка фиксируется на несущей мачте стальными хомутиками (рис.3).
Для упрочнения нижнего горизонтального куска рамки на него натягивается на длине примерно 300 мм нагретая медная трубка несколько большего диаметра. Мотор, вращающий конденсатор, укрепляется на стальной трубе на высоте над крышей около 2 м. Для придания жесткости всей конструкции ниже мотора устанавливается не менее трех растяжек.
Проще всего согласовать антенную рамку и линию питания с помощью витка коаксиального кабеля типа RG8 или RG213 Диаметр витка определяется опытным путем (примерно около 0,5 м). Подключение внутренней жилы и оболочки кабеля осуществляется в соответствии с рис.4

После того как согласующий виток настроен на наименьший КСВ, для защиты от осадков поверх места подключения натягивается гофрированная пластмассовая трубка. На конце согласующего витка нужно установить коаксиальный разъем. В месте нижнего крепления согласующего витка под крепежный дюралюминиевый хомут продевается кусок медной ленты, которая после загибания припаивается к экранирующей оболочке кабеля. Она нужна для хорошего электрического контакта с заземленной дюралевой трубкой (рис.5). В верхней части согласующий виток крепится к диэлектрической мачте резиновыми хомутиками.

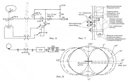
Если антенна располагается на крыше, для дистанционного управления настроечного конденсатора необходим блок привода мотора постоянного тока. Для этой цели годится какой-либо магнитофонный мотор небольших размеров с небольшим редуктором. Мотор связывается с осью конденсатора изолирующим сцеплением или пластмассовой шестерней Ось конденсатора необходимо также механически присоединить к потенциометру 22 кОм группы А С помощью этого потенциометра внизу определяется положение настроечного конденсатора. Полная схема блока управления показана на рис.6.

Естественно, потенциометр необходимо расположить с той же стороны, что и мотор, соединив их двумя пластмассовыми шестернями или фрикционной передачей. Весь блок настройки размещается в герметично закрывающемся пластмассовом корпусе (или трубке). Кабель к мотору и провода от потенциометра прокладываются вдоль стекло- волоконной несущей мачты. В случае, если антенна размещается недалеко от радиостанции (например на балконе), настройку можно осуществлять непосредственно с помощью длинного валика на изолированной ручке.
Размещение настроечного конденсатора
Как уже упоминалось, неподвижная и подвижная части настроечного конденсатора присоединяются к верхней, разрезанной части рамки с помощью двух медных пластин толщиной около 0,5 мм, шириной 50 мм и длиной 300 мм каждая. Настроечный конденсатор размещается в пластмассовой трубке, которая крепится к вертикальной стекловолоконной несущей мачте (рис.7). Верхняя часть рамки соединяется тефлоновым шпинделем и крепится к несущему стекловолоконному столбу с помощью U-образных болтов.
Настройка
Настройте TRX на эквивалент нагрузки, переключите выход TRX на антенну. Антенный тюнер в этом опыте не используйте. При пониженной выходной мощности начинайте вращать конденсатор до получения минимума КСВ Если достичь низкого КСВ таким способом не удается, попытайтесь несколько деформировать согласующий виток. Если КСВ не улучшается, виток необходимо или удлинить, или укоротить. Проявив немного терпения, можно в диапазонах 1,8…7 МГц достичь КСВ 1… 1,5 Достигнуты следующие значения КСВ 1,5 на 40 м, 1,2 на 80 м и 1,1 на 160 м.
Результаты
Настройка антенны очень «острая». В диапазоне 160 м полоса пропускания антенны составляет единицы килогерц. Диаграмма направленности (ДН) — почти круговая. На рис.8 приведены ДН в горизонтальной плоскости для различных вертикальных углов излучения.
Наилучшие результаты антенна дает в диапазоне 40 м. При мощности 50 Вт автор установил немало связей с восточным побережьем США с рапортом 59. На расстояниях до 500 км днем рапорты были 59+20…25 дБ. Антенна также очень хороша на прием, поскольку достаточно «острая» настройка уменьшает шумы и сигналы работающих рядом сильных станций Антенна работает удивительно хорошо и в диапазоне 160 м. С первых попыток была установлена связь на расстоянии свыше 500 км с рапортом 59+20 дБ. С принципиальной точки зрения, в этом диапазоне эффективность антенны гораздо ниже, чем в диапазоне 40 м (см.таблицу).

Заключительные замечания
- Антенну необходимо размещать по возможности дальше от ботьших металлических предметов, таких как ограды, металлические столбы, водосточные трубы и т.д.
- Антенну не рекомендуется размещать внутри помещений, поскольку рамка антенны при передаче излучает сильное магнитное поле, которое вредно для здоровья.
- При работе с мощностями выше 100 Вт рамка нагревается под действием большого тока.
- На самом верхнем диапазоне поляризация антенны горизонтальная.
В таблице выше приведены основные электрические параметры антенны в указанных диапазонах. Аналогичную антенну можно построить и на более высокочастотные диапазоны, соответственно уменьшая размеры рамки и емкость настроечного конденсатора.
воскресенье, 28 июля 2013 г.
Магнитная антенна (рамка) на КВ диапазоны
Всем привет!
Вчера осталось пару часов свободного времени. Решил воплотить давнюю идею — сделать магнитную антенну (магнитная рамка). Тому способствовало появление радиоприемника Degen. Сделав магнитную антенну для радиоприемника Degen, я удивился — она не плохо работает!
Т.к. много спрашивают про эту антенну, размещаю простенький эскиз
Данные рамки
![]() |
| Эскиз магнитной антенны на КВ диапазоны |
- диаметр большой рамки 112 см (трубка от кондиционера или газобалонного оборудования авто), очень удобно и недорого применить гимнастический алюминиевый обруч
- диаметр малой рамки 22см (материал — медный провод диаметром 2 мм, можно и тоньше, но уже не держит форму сам круг)
- кабель RG58 подсоединяется к малой рамке напрямую и уходит к радиоприемнику ( можно применить трансформатор 1 к 1, чтобы исключить прием на кабель)
- КПЕ 12/495х2 (можно применить любой другой, просто изменится полоса рабочих частот)
- диапазон 2.5 — 18.3 МГц
- чтобы рамка начала принимать 1.8 МГц добавил параллельно конденсатор 2200 пФ
Идея не нова. Один из вариантов лежит тут. Это одновитковая рамка. У меня получилось нечто следующее


Прием прекрасный даже на 1-м этаже частного дома. Я поражен. Эта простая магнитная антенна (магнитная рамка) имеет селективные свойства. Настройка на НЧ острая, на ВЧ поплавнее. С обычным КПЕ 12/495х2 с одной секцией антенна работоспособна вплоть до диапазона 18 МГц. С подключением второй секции — нижняя граница 2.5 МГц.
Особенно впечатлила работа рамки на диапазоне 7 МГц. Оказывается прекрасная магнитная антенна для Degena.
Что не понятно спрашивайте. de RN3KK
Добавлено 19.06.2014
Вот переехал на новый QTH 9 этаж 9-ти этажного дома. На штатный телескоп приемника Sony TR-1000 принимается значительно меньше станций нежели на магнитную рамку. +очень узкая полоса антенны делает ее прекрасным преселектором. Увы волшебства нет, когда сосед снизу включает свою плазму, прием тухнет везде. даже на 144 МГц.
Добавлено 18.08.2014
Удивлению нет предела. Разместил данную антенну на лоджии 9-го этажа. В диапазоне 40м было слышно очень много Японских станций ( дальность до Японии 7500 км). В диапазоне 80м была принята всего одна японская станция в тот же день. Антенна заслуживает внимания. Я не мог даже и подумать что на эту магнитную антенну ( магнитную рамку) возможен прием дальний трасс..
Добавлено 25.01.2015
Магнитная рамка работает и на передачу. Как бы не казалось странным, но отвечают. Не плохо она работает на 14 МГц, на нижних диапазонах эффективность уже не та — нужно увеличивать диаметр. Даже при мощности 10 Вт, поднесенная энергосберегающая лампа светилась почти в полную силу.
Данная публикация предназначена для начинающих
радиолюбителей и для тех, у кого нет доступа
на кровлю своего дома. Сушко С.А. (ex.UA9LBG)
Магнитные антенны (Magnetic Loop) типа-ML ввиду своих малых размеров становятся всё более популярными. Все они могут размещаться на балконах и подоконниках. Неоспоримо, что классическую популярность завоевали одновитковые магнитные антенны с вакуумным конденсатором и петлей связи, при помощи которых можно проводить радиосвязи даже с другими континентами.
Двух-рамочные антенны в виде восьмёрки сравнительно недавно начали появляться в среде радиолюбителей, хотя на заре появления Си-Би связи в России, такие антенны с определённым успехом практиковались в автомобильных радио-охранных системах диапазона 27МГц, см.рис.1.а. Автомобильная антенна состояла из двух одинаковых рамок (петель) L1;L2 и общего резонансного конденсатора С1, стоящего в пучности напряжения. С периметром антенны около 5 метров радиолюбитель Стерликов А.(RA9SUS) провел связи с 36-ю странами мощность до 30 Вт. Питание антенны производилось непосредственно от коаксиального кабеля. А подобные антенны практиковались с конца 60-х, начала 70-х годов прошлого века. Эквивалентная схема такой антенны изображена на рис. 1.б.

Хотя одновитковые ML в настоящее время широко применяются в среде радиолюбителей, особенностью двух-витковой состоит в том, что её апертура в два раза больше по сравнению с классической. Конденсатором С1 можно изменять резонанс антенны с перекрытием по частоте в 2-3 раза, а общий периметр окружности двух петель ≤ 0,5λ. Это соизмеримо с полуволновой антенной, а её малая апертура излучения компенсируется повышенной добротностью. Согласование фидера с такой антенной лучше осуществлять посредством индуктивной или емкостной связи.
Теоретическое отступление: Двойную петлю можно рассматривать как смешанную колебательную систему LL и LC-системы. Здесь для нормальной работы оба плеча нагружены на среду излучения синхронно и синфазно. Если на левое плечо подается положительная полуволна, то и на правое плечо подается точно такая же. Зародившаяся в каждом плече ЭДС самоиндукции будет по правилу Ленца противоположна ЭДС индукции, но так как ЭДС индукции каждого плеча противоположны по направлению, то ЭДС самоиндукции будет всегда совпадать с направлением индукции противоположного плеча. Тогда индукция в катушке L1 будет суммироваться с самоиндукцией от катушки L2, а индукция катушки L2 — с самоиндукцией L1. Так же, как и в LC — контуре, суммарная мощность излучения может в несколько раз превосходить входную мощность. Подача энергии может осуществляться на любую из катушек индуктивности и любым способом.
Преобразуя антенну из прямоугольной формы в круглую(рис.1.а), мы получаем антенну, изображённую на рис.2.а. Справедливо считается, что круглая форма магнитной антенны эффективнее, чем прямоугольная.

Постепенно упростился конструктив рамки L1 и L2, их стали включать в виде восьмёрки, на рисунках 2.а. и 2.б. Так появилась двух-рамочная ML в виде восьмёрки. Назовём её условно ML-8.
У ML-8 в отличии от ML появилась своя особенность, — у неё может быть два резонанса, колебательный контур L1;С1 имеет свою резонансную частоту, а L2;С1 имеет свою. В задачи конструктора входит добиться единства резонансов и максимального КПД антенны, следовательно, изготовление петель L1 и L2 должны быть одинаковы. На практике инструментальная погрешность в несколько сантиметров изменяет ту, или другую индуктивность, частоты настройки резонансов расходятся, а антенна получает определённую дельту по частоте. Иногда конструктором это делается умышленно. Особенно это удобно делать у многовитковых петель. На практике ML-8 активно используют LZ1AQ ; K8NDS и др. однозначно утверждая, что такая антенна работает значительно лучше одно-рамочной, а изменение её положения в пространстве можно легко управлять пространственной селекцией, что подтверждает фото ниже по тексту антенны на 145МГц.
Предварительные расчёты показывают, что у ML-8 для диапазона 40 метров, диаметр каждой петли при максимальном КПД составит чуть меньше 3-х метров. Понятно, что такую антенну можно устанавливать только на улице. А мы мечтаем об эффективной ML-8 антенне для балкона или даже для подоконника. Конечно, можно уменьшить диаметр каждой петли до 1 метра и настроить резонанс антенны конденсатором С1 на необходимую частоту, но КПД такой антенны упадёт более чем в 5 раз. Можно пойти другим путём, сохранить расчётную индуктивность петли, используя в ней не один, а два витка, оставив резонансный конденсатор с тем же номиналом. Несомненно, что апертура антенны уменьшится, но количество витков «N» частично возместит эту потерю, согласно представленной ниже формулы:

Из приведённой формулы видно, что количество витков N является одним из множителей числителя и стоит в одном ряду, как с площадью витка-S, так и, с его добротностью-Q.
К примеру, радиолюбитель OK2ER (см. Рис.3) посчитал возможным использовать 4-х витковой ML диаметром всего 0,8м в диапазоне 160-40м.

Автор антенны сообщает, что на 160 метров антенна работает номинально и больше используется им для радионаблюдения. В диапазоне 40м. достаточно воспользоваться перемычкой, уменьшающей рабочее количество витков вдвое. Обратим внимание на используемые материалы, — медная труба петли взята от водяного отопления, клипсы, соединяющие их в общий монолит, используются для монтажа водопроводных пластиковых труб, а герметичный пластиковый ящик приобретён в магазине электрики. Согласование антенны с фидером емкостное, и наверняка по одной из представленных схем, см. Рис.4.

Кроме выше сказанного, нам нужно понимать, что отрицательно влияет на добротность-Q антенны в целом:

Из приведённой формулы, мы видим, что активное сопротивление индуктивности Rк и емкость колебательной системы Ск должны быть минимальными. Именно по этому, все ML делают из медной трубы, как можно большего диаметра, но есть случи, когда полотно петли делают из алюминия, а добротность такой антенны и её КПД падает от 1,1 до 1,4 раза.
Что касаемо емкости колебательной системы, то тут всё сложнее. При неизменном размере петли L, к примеру на резонансной частоте 14МГц, емкость С составит всего 28пФ, а КПД=79%. На частоте 7МГц, КПД=25%. Тогда как на частоте 3,5МГц при ёмкости в 610 пФ, её КПД=3%. По этому ML используют чаще всего на два диапазона, а третий (самый низкий) считается просто обзорным. Следовательно, при расчётах мы будем «плясать от печки», т.е. от выбранного радиолюбителем наивысшего диапазона с минимальной ёмкостью С1.
Диаграмма направленности ML-8 остаётся точно такой, как и у варианта ML. У обоих вариантов антенн полностью сохраняется восмёрочная диаграмма направленности и соответствующая поляризация. На фото, при помощи газоразрядной лампы наглядно показаны уровни излучения антенны с разных сторон.

Проектируем антенну на диапазон 20м.
Теперь мы вооружены начальными знаниями о проектировании ML-8 и попробуем рассчитать вручную свою антенну.
Длина волны для частоты 14,5 МГц составляет (300/14,5) — 20, 68м.
Длина окружности каждой четверть-волновой петли L1; L2 составит 5,17м. Примем -5м.
Диаметр рамки составит: 5/3.14 — 1,6м.
Вывод: Одиночная петля ML может и впишется в интерьер балкона, но ML-8 вряд ли…
Свернём каждую петлю вдвое, но её диаметр, при сохранении заданной индуктивности (4мкГн) будет несколько отличаться в меньшую сторону. Прибегнем к достаточно популярному калькулятору радиолюбителя и определим геометрические размеры двух-витковой петли с такой же индуктивностью.

В соответствии с расчётами параметры каждой петли будут следующими: При диаметре полотна (медной трубы) в 22мм, диаметр двойной петли составит 0,7м, расстояние между витками -0,21м, индуктивность петли составит 4,01мкГн. Необходимые расчётные параметры петли на другие частоты сведены в таблицу 1.
